Převodovka
Začnu klasickou, překonanou, mechanickou řadicí pákou. Je to automat. Klasická kulisa PRND321 čtyřrychlostního automatu s pojistkou. Moderní vozy mají čudlíky, tahátka, řazení pod volantem, dokonce i některé voliče umí samy motorizovaně přeskočit z polohy do polohy, když auto třeba vypnete, ale neumí jednu jednoduchou věc: Zakázat vám zařadit, když si je auto jisté, že je to pitomost.
Co mám na mysli? Vezměme třeba ten krém na boty, kterým se řadí v IONIQ 5. Před zařazením musíte podržet brzdu, jinak se auto začne vzpouzet. Problém je v tom, že vy na brzdě nestojíte, řadíte ze zpátečky dopředu, krém na boty se pohne správným směrem, ale zařazeno nemáte. Jak se to dozvíte? Musíte se podívat pod volant na kontrolky. Když se na kontrolky nepodíváte a šlápnete na plyn, místo dopředu pojedete dozadu.
Tohle se vám v Camaru nestane. Jednak nemusíte při řazení stát na brzdě, ale hlavně když se pohne páka, je zařazeno, nemusíte nikam čumět. Nemáte odemčený volant a chcete vyřadit na neutrál? Nelze. Fyzicky. Nemusíte nikam koukat, pákou prostě nejde pohnout.
Plus je tady docela logicky nutné používat pojistku. Musíte ji zmáčknout, když auto odbrzdíte vyřazením z P. Pak ale bez jejího držení dojedete přes zpátečku a neutrál až na D. Podřazovat na nižší stupně pak zase musíte s pojistkou.
Krásně intuitivně to funguje při vyjíždění z podélného stání. Nastartujete, zmáčknete pojistku, zařadíte R, couvnete, bez pojistky tam vrazíte D, protože na něm se to vždy zastaví a jedete pryč. Nemusíte nikam koukat, nic trefovat, nikdy se vám na displeji neobjeví hláška o tom, že "podmínky neodpovídají". Co je ale nejdůležitější, když něco podělám, tak se to dozvím pohmatem. I kdybych si potom musel přečíst otravnou hlášku, bylo by to lepší, dozvědět se o problému hned a ne až se auto nerozjede, nebo rozjede na špatnou stranu.
Tempomat a protiprokluz
Auto má lankem ovládaný plyn s pružinou až na klapce. Z toho jasně plyne, že pokud chcete ovládat škrtící klapku, budete hýbat plynovým pedálem. Protiprokluz vám kope zpátky do plynu, když na to moc hamtáte a tempomat vám pak krade plynový pedál z pod nohy pokaždé, když přidá.
U mého kusu zachráněného z lisu už jsou lanka vytahaná a hlavně tempomat už vypadá, že by potřeboval poladit, ale stejně mě stále baví ta přímá zpětná vazba do nohy, kdykoli mi jeden z těch automatů hrabe do plynu.
Ovládání okýnech bez chipů
Auto má elektrická okénka. V dnešní době plné elektroniky jsou okénka napojena na vnitřní digitální systémy auta a kupříkladu i naše nejvíc domácí automobilka si postěžovala, že má s chipy pro zrovna tuhle část auta problémy.
U Camara si dálkovým ovládáním okénka nestáhnete. Žádné dálkové ovládání nemá a tím pádem nepotřebuje ani jeden chip. Automatické stažení okna až dolů řeší nabitý kondenzátor držící relátko po dobu, během které okno prostě musí stihnout sjet a jinak je to jen o spínačích, pouštících dvanáct voltů tím správným směrem tím správným motorkem. Nejsou tu žádná čidla dojezdů, pochybuju, že by ty motorky jako takové měly nějakou ochranu, prostě jen vydrží 20 let.
Až mě zaráží, že se tohoto principu nedržíme. Potřebovat technologii na úrovni nanometrů pro ovládání tak stupidní funkce mi přijde asi stejně rozumné, jako mít ve výtahu PC s Windows 10 jehož jediným cílem je v tom výtahu na displeji zobrazovat seznam pater. Na papír by to šlo taky napsat, ale asi už jsme nad tím neuvažovali. Tento unikát s výtahem je k vidění v Main Point Pankrác mimochodem…
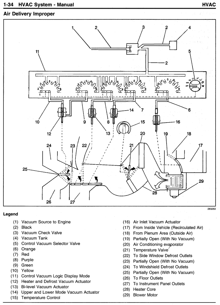
Podtlakem ovládaná klimatizace
Jestli však existuje starosvětská technologie, která by už ani v tom mém krámu dávno neměla být, pak je to právě systém podtlaků řešící věci, které mu vůbec nepřísluší. Zaplať pámbu, že aspoň ten tempomat už je elektrický.
Systém podlakových aktuátorů, který přeskládává klapky v topení je snad z roku 50. Ten princip není úplně špatný, ale hodí se spíše do automobilu bez palubní elektroniky. A když říkám, že není špatný… No ono to trošku vypadá jako hadí farma, všude samý šlaušek, ale venkoncem to jde hezky mechanicky vyřešit pomocí pár gumových dílů a pružinek.
Jenže v mém stroji to nefunguje. Někde zezadu sání uprostřed véčka, tam jak se nedá dostat, protože je to pod oknem, ale nahoře, tak tam to upadlo. Není to nějaká extra tragédie z pohledu topení, holt to pořád fouká jen na okna, ale problém je v tom, že jak to upadlo, tak vznikla nová nechtěná díra v sání.
No a to znamená, že auto pod deset stupňů pořád zdechá, než se zahřeje, protože prostě vzduchu v sání je moc a motormanagement nemá šanci to dorovnat. Jak já bych byl vděčný za lanka ze stařičké Škodovky…
Centrál
Už jen krátce. Auto nejde zamknout centrálem zevnitř, když je klíček v zapalování. Když jej ale ze zapalování vyjmete, stačí otevřít dveře, zmáčkout čudlík hned u kliky a auto se s otevřenými dveřmi zamkne. Klíček máte v ruce, takže stačí jen prásknout dveřmi a jít. Skoro nepotřebuji keyless. Na zamykání. Odemykat to klíčem mě neba…
Závěr
Přes hrdé boření starých zaprděných pořádků jsme dle mého zahodili i mnoho dobrého. Některé věci jsme se dokonce rozhodli vymyslet znovu bez toho, aby k tomu byl důvod. To ale neznamená, že by vše staré bylo dobré… Máte podobné detaily a svědky minulosti i ve svém autě?
















martin_100
28. 11. 2021, 22:49Tak mam třeba karburátor.... Počítá se to?
Radim Nemec
28. 11. 2021, 23:15Pocitaji se "UFO" brzdy a pumpa hydrauliky brzd spolecna s posilovacem rizeni? ;)
Evlo
29. 11. 2021, 00:48Tak zrovna páka mezi sedadly u normálního auta je fakt plýtvání místem, ostatně dřív to tak auta stejně neměla.
Avex
29. 11. 2021, 11:43souhlas, column shifter je elegantnejsi a praktictejsi
Irwinek
29. 11. 2021, 07:20FUNKČNÍ podtlaková klimatizace :-D Pravda, když se letos v létě kousla, seděli jsme v autě ve svetrech a při vystupování jsme se svlékali - venku cca + 32°, v autě cca 10°. Ale přes noc si to sedlo a pak už pohoda.
bitner
29. 11. 2021, 09:06Sandero, 10 let. Nemam moc tuseni, co vsechno je tam ze "stare skoly," ale vim napr. o klapce ovladane lankem od plynu (1,6 8ventilu), sklapeni svetel bowdenem, puvodni baterce (ano, startuje motor na drc jiz 11. zimu, dobiji se pouze alternatorem). Realne to ma jenom ABS, ESC +ASR je simulovano mlacenim do volantu pri prujezdu zatackou na "limitu" od primitivniho podvozku. Pokles tlaku v nekterem kole poznam diky treseni volantu pri jizde. Klimatizace tam je funguje paradne, doplnovana kdysi pred 7 lety (zbytecne). Prevodovka, kterou jsem povazoval za zdroj chrasteni je OK, delal to remen pohonu altiku...
O 4 roky mladsi Logan uz je tam podstatne hur. Tesneni pod hlavou po 100 tkm KO, 2x vytekle servo kvuli nejakemu cidlu, uz to ma ESC + ASR, takze brzdy vydrzely pouze 95 tkm vs 119 tkm u Sandera. Uz to ma ventilky s hlasenim tlaku v pneu - musi se na to myslet pri prezouvani. Motor uz bohuzel jen 1,2 16V (takze klapka je elektricka).
Obe auta celou dobu sidim plynem.
nickson72
30. 11. 2021, 14:48Před časem mi v autě r.v. 1986 odešla jedna ze dvou digitálních věcí: hodiny. Tím druhým digitálním zařízením je EFI, to zaplaťpánbůh funguje.
Hodiny ukazují čas, ale to pojetí času je takříkajíc volnější... Někdy o minuty, někdy o hodiny. Při delších cestách jsem uvažoval co s tím. Ne že bych ty hodiny potřeboval, ale jen tak - pro pořádek. Doiteroval jsem k názoru, že nejjednodušší je vzít Arduino s bílým OLED displejem, dát na to zelenou fólii a zkopírovat font. A k tomu mě napadlo, že když tam palubní computer bude, tak proč to nevyužít na něco jiného.... A pak jsem strašně dlouho přemýšlel, co jiného by tam ještě mohlo být. Když už mě něco napadlo, tak jsem si po chvíli uvědomil, že to tam vlastně nepotřebuju. Už je to aspoň rok a počet položek na seznamu je stále nula. Takže tam jsou i ty původní hodiny.
Tím jsem se obloukem dostal k tvrzení, že v tom autě z roku 86 nic nechybí. A taky nic nepřebývá. Ano, rádio jsem dávno (několikrát) vyměnil a navigaci mám v telefonu - na který je tam taková akorát velká polička. Tedy věci, které potřebují upgrade, se upgradují vpodstatě bez zásahu.
Oproti tomu když si sednu do něčeho současného, tak se nestačím divit, kolik je tam displejů. Jednou jsem jich napočítal 7. K čemu potřebuju vědět, jakou teplotu má olej v převodovce? A proč to na mě musí svítit, když jedu celou noc po dálnici? nebo v jiném autě displej na výdechu klimatizace na zadních sedadel statečně hlásí, jaká je teplota venku. Když to budu chtít vědět, můžu si otevřít okno, ne?
Přijde mi, že výrobci se předhínějí v tom, kolik zaškrtávátek se dá dát na nabídkový list. Nevím, možná to my zákazníci taknějak většinově chceme - a jen já jsem černá ovce? Ale já bych neraději vzal černou pásku a většinu těch displejů zalepil. Přišlo by mi to taknějak - klidnější.
A to nemluvím o tom, kolik těch ... udělátek, abych byl slušný, bude v tom autě fungovat za deset let.
Skopy
30. 11. 2021, 19:59Zrovna dnes jsem ze svého hyundai coupé přesednul na pár dnů do felicie. I když ty auta od sebe dělí jen 4 roky je to obrovský rozdíl. Co mi na felicii fakt hodně chybí: 1. automatická klimatizace (felda nemá ani manuální) nebaví mě pořád hýbat s páčkami kdykoliv je mi moc zima/horko/mlží se skla. 2. centrální zamykání s DO, 4. elektrická okna, 5. otevírání nádrže tlačítkem/páčkou. 6. elektrické ovládání zrcátek. 7. vyhřívání zrcátek, 8 cyklovač stěračů s nastavitelnou prodlevou. kdybych přesednul do něčeho ještě staršího s karburátorem určitě by mě štvala absence vstřikování a nutnost hrát si se sytičem.
Jakub Pospíšil
30. 11. 2021, 21:52Stěrače s cyklovačem šly do feldy snadno nabastlit, byla to otázka pár minut a pár desetikorun. Většina těch zbylých věcí taky ale už to trvá déle.
Michal88
30. 11. 2021, 22:09Co vím, tak ve Feldě programovatelný cyklovač byl, jen se neprogramoval posuvníkem, ale tím, jak dlouho byly stěrače vypnuté (měls zapnutý cyklovač, vypnul jsi stěrače třeba na 2 sekundy a zas zapnul cyklovač a stérače stíraly po 2 vteřinách). Aspoň u socky 1,3MPi 98 to mamka kdysi měla...
Hansoff
1. 12. 2021, 06:54V nejvyšších výbavách většina těch věcí být mohla. Některé prvky výbavy jsou ale dost vzácné, nebo aspoň v mém okolí. Nepamatuju si, že bych se někdy vezl Feldou s el. okny nebo ABS, klimu jsem zažil asi jen jednou.
Michal88
1. 12. 2021, 14:31ABS měly i některé GLX(i) výbavy, ale elektrická okna, kůže atd. byly výsadou až výbavy Gottwald&Klement...
Jakub Pospíšil
1. 12. 2021, 15:47Klement kupodivu v základu neměl elektrická okna, jen vyhřívané kožené sedačky a interiér. Bylo to občas dost bizarní, jak se výbavy stavěly.
David Střítežský
1. 12. 2021, 16:16Hansoff: my měli Feldu ve výbavě Magic2 , rok 2000, téměř na konci vyrobního cyklu a ta byla vybavena hodně slušně: kožený volant + ručka, 1-2x bag, ABS, el. okna, klima, palubní počítač (fakt nekecám), 14" origo liťáky, origo racing rozpěra - 1,3 50kw, takže posilovač v nedohlednu :D
... je teda pravda, že moc podobně vybavených jsem neviděl, né že bych po nich kdy pátral, protožej jsem poměrně brzo zjistil, že existují i jiný auta
cyklovač fungoval tak, jak popisuje Michal, mohl sis sám určit jakejkoliv cyklus, ale narazil jsem na nějaký fámy, že sis jeho častým používáním mohl odrovnat jednotku, co je na tom pravdy nevím (občas nám haprovaly otáčky, na všechny strany, nezávisle na poloze pedálu, ale to mohlo být některým z náletů kun, neprůkazné)
beastar
1. 12. 2021, 17:32V začátku výroby před fl. Stála klimatizace na tlačítko 70,000 Kč. Bývá často k vidění ve verzi Mystery. Pak občas v pár autech z Německa. El.okna měl kamarád v Glxi 1.6, ta měla i bc. Ten měl displej vlevo od řidiče místo toho plastového růžku tam. Jak píše Jakub o těch výbavách tak často právě i v Laurinu bývá jen kožený paket, sedadla a výhřevnost sedadel.
Fakt je ten že velmi dobře vybavený exemplář sem viděl tak 3x v životě naživo. Zbytek tak možná v inzerci. Mimochodem ona Oktavka je na tom podobně. Když dnes člověk vidí ty auta do roku 2000 jak to nemá fakt nic ani tu klímu. Tak si říkám jak to mohl někdo kupovat. Prostě to mělo tehdy jiný lákadla no. A zahraniční třeba i ojetiny stáli prostě ranec.
Michal88
1. 12. 2021, 20:37David: Jojo, to byly fámy, protože cyklovač je ovládaný časovým relátkem a s ECM motoru neměla nic společného. :) Tohle, co popisuješ, rádo dělalo na 1,3 vadné čidlo teploty chladící kapaliny a u Filcek běžná závada. :)
Jinak u Filcky byl velkej problém i kabelový svazek u prahu. Byl pod plastovým deklem a uložený v jakoby lavoru a pod řidičovými dveřmi velmi rád oxidoval. Pak auto bylo jak diskotéka...
Jenda_K
1. 12. 2021, 22:22Felicii s palubním počítačem zdědil brácha po tátovi a cyklovač stěračů už byla příplatková výbava Škody 100
Jenik
2. 12. 2021, 13:00Počítá se jako takový relikt minulosti třeba celá řada Zetor UŘ I? Nebo novější pojetí realizované pod taktovkou Škoda Boleslaff-Werke, potažmo Luďka Kalmy, pojmenované Octavia? ????
roman_mg
2. 12. 2021, 14:03Jediné "digi" které na autě 1988 mám je EFI + palubní počítač. Zbytek je na podtlak (i tempomat a klima).
Michal88
2. 12. 2021, 16:13No, XMo bylo nejsložitější auto své doby, tak tam toho jako relikt doby moc nevymyslím. Snad jen monochromatický pixelovaný displej a rádio se segmentovým displejem místo nějaké dotykové hrůzy dneška. Jo, automat je bez ECM a k rádiu nebo dojezdu oken se nepřipojím počítadlem, jinak ale některé kusy XMek již byly s předchůdci dnešních sběrnic v autech. Jen se jich s touto elektroinstalací vyrobilo tak cca 400ks ročně, zbytek měl normální elektroinstalaci.
Jinak to mělo na svou dobu bohatou výbavu... Elektricky seřiditelná přední loketní opěrka, všechny sedačky vyhřívané, elektrický šíbr... Je teda fakt, že tempomat a egr byly podtlakem. A turbo u 2,1TD bylo ovládané klasicky přetlakem v sání (hadička od regulace byla tak 5cm dlouhá a vedla do sání za turbo. To jen ten povídací PPC jako v R25 Baccara chyběl... :)