16v redblocky jsou motory, které Volvo vyrábělo v letech 1989-1994, takže pouhých 6 let oproti 25 rokům, kdy byly vyráběny 8v redblocky. Přitom jsou do jisté míry unikátní (alespoň pro Volvo), přinesly několik benefitů oproti 8v a pochopitelně i jistou servisní a finanční složitost oproti 8v. Přesto jsou vrcholem evoluce těchto motorů, byť se konce produkce redblocků nedožily.
16v bylo několik motorů:
B204E – 139 koní při 6000 ot./min, 181 Nm při 4800 ot./min – překvapivě LH-Jetronic (dle označení by to měl být K-Jetronic), asi bez katu
B204FT – 190 koní při 5300 ot./min, 280 Nm při 2950 ot.min – Turbo, LH-Jetronic
B204GT – 200 koní při 5300 ot./min, 290 Nm při 2950 ot.min – shodný s B204FT, ale postrádá kat
B234F – 155 koní při 5600 ot.min, 204 Nm při 4450 ot./min – LH-Jetronic
B234F – 159 koní – o proti slabší verzi se liší 3” sáním a jinou váhou vzduchu. Asi jen rok 1989.
B234G – 159 koní při 5800 ot.min, 210 Nm při 4450 ot./min – shodný s B234F, ale postrádá kat
2,3 se prodávaly hojně v USA i na starém kontinentě, dvoulitry prakticky jen v Itálii, Portugalsku a snad Španělsku a Francii.
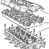
Volvo na konci 80. let nemělo přílišné zkušenosti s DOHC hlavami. Sériově dělalo jen OHC, ale pro závodní použití na začátku 80. let byla jedna DOHC hlava, shodou okolností pro redblock, k dostání od divize R-Sport. Takže si na pomoc s vývojem zavolalo Porsche a ten, kdo zná motor M44/40, asi začíná tušit… Ano, 16v redblocky mají vyvažovací hřídele, proto se liší od 8v i blokem. Nikde jsem nedohledal, s čím vlastně Porsche pomáhalo, ale vyvažovací hřídele jsou jasné, protože Volvo, na rozdíl od Porsche, nemělo licenci používat patent Silent Shaft od Mitsubishi. Ne, že by Porsche hned šlo kupovat kvůli svému velkoobjemovému čtyřválci licenci, nejdřív vyzkoušeli svůj návrh, ale museli usoudit, že systém od Japonců funguje lépe. Vyvažovací hřídele jsou dva, oba ze stran bloku, na kterém jsou přišroubovány. Vyvažovací hřídel na straně spolujezdce je níž než ta na straně řidiče. Obě se točí 2x rychleji než kliková hřídel.

Vyvažovací hřídele jsou poháněné oboustranným řemenem hnaným od klikové hřídele. Až pak následuje řemen klasický rozvodový na pohon vačkových hřídelů. U Volva, na rozdíl od Porsche, má každý vačkový hřídel své ozubené kolo pro rozvodový řemen (Porsche má pouze jednu vačkovou hřídel hnanou řemenem, druhá je hnaná přes tu první řetězem uvnitř hlavy). K těmto dvěma řemenům připočítejte další dva klínové pro servo a klimu, jeden pro vodní pumpu a altík, a je asi jasné, proč se těmto motorům občas přezdívá Orloj. Když jsme u rozvodů, musím zmínit i další zajímavost. 16v redblocky mají externí olejovou pumpu hnanou hlavním rozvodovým řemenem. Asi kvůli vyvažovacím hřídelím na ni nezbylo v bloku místo. Napínák rozvodů byl manuální, ale někdy během 90. roku byl změněn na automatický.

Hlava je hliníková, třídílná, ventily jsou vedené pod úhlem 19° od svislé osy hlavy. Průměr sacích ventilů je 32,5 mm a výfukových 29,5 mm oproti 44mm, respektive 35 mm u 8v. Výfukové ventily mají v sobě sodík. Ojnice jsou kované a silné 13mm, kliková hřídel kovaná. Písty mají vybrání pro ventily. V případě přetržení rozvodů je potkání jisté a relativně nákladné. FT/GT mělo na rozdíl od atmosféricky plněných motorů ještě jednu zvláštnost, a to senzor teploty výfukových plynů od švédské firmy Pentronic (před pár lety stál 13 000,-, ale dnes se už nevyrábí). Dle všeho jen měří teplotu, a když překročí jistou mez, obohatí se směs, aby se snížila teplota. Pro zajímavost ještě k těm přeplňovaným motorům uvedu, že používají váhu vzduchu Bosch 0 280 213 012. Jako první ji měly právě tyhle motory, rok na to Saab 9000 2,3 Turbo a postupně od roku 1991 Ferrari 512 TR, 456 GT, 355 a F50. Takže se moc nikde nešetřilo.

Co se týče předností, 16v přinesly pochopitelní účinnosti, tím zvýšení výkonu (u 2,3 je to 116 koní versus 155) a snížení spotřeby. Doopravdy velmi se ale zlepšila kultivovanost. Jak řekl známý: „8v redblock je jak pumpa na hovna“. 16v je doopravdy velice příjemný a velmi se přibližuje řadovým šestiválcům. Porsche mělo vyvažovací hřídele na objemech 2,7 a 3 litry, takže tady s těmi 2, respektive 2,3 litry nebylo tolik práce je uklidnit. Hlavní negativum jsou vyvažovací hřídele. Pominu-li jejich netradiční zvuk, který se nedá moc utišit, dost trpí na unik oleje a vůli. Když se vymění pouzdra, tak to ještě neznamená, že je po vůli, protože se vydírají. Další potencionální problém je samotný řemen, který když se přetrhne, vezme s sebou rozvodový řemen a potká se motor. Mnoho lidí proto odpojilo vyvažovací hřídele (stačí jen sundat řemen) a jsou spokojení. Co jsem ale četl, bez nich jsou vibrace značné, ale možná to hodně závisí na stavu silentbloků. Další potencionální problém je olejové čerpadlo, které má ozubené kolo, kterým je hnané, přišroubované šroubem 8.8, což je málo a nejednou se stalo, že šroub praskl a pro změnu se potkal motor. Toť asi vše, ale v porovnání s 8v je toho víc než dost. Klasické redblocky jsou doopravdy velmi jednoduché motory a servisně velice přátelské a levné. Proto mají 16v lehce kontroverzní pověst. Další problém, který se ale vyskytuje až v posledních letech, je bídná dostupnost některých dílů. Bosch přestává vyrábět některé komponenty a i samotné Volvo na 16v poměrně kašle. Známý problém je nedostupnost kladky na napínáku, nejsou k dispozici písty po výbrusu válců a jako novinka je pravděpodobně ukončená výroba ventilů (alespoň těch výfukových).
16v hlava ale jde na klasické 8v bloky, konec konců přesně to dělalo i samotné Volvo u motorů Penta, které se nabízely jak s 8v, tak 16v hlavou (a s karburátorama :-)). Obecně jde o oblíbenou přestavbu, jen je třeba krom samotné hlavy a výměny některých vnitřností (písty) vyřešit i napínák rozvodů. Co je zajímavé, tuhle hlavu mají rádi i majitelé Fordů, které je cpou na 2,3 bloky Pinto.
V muzeu Volva v domovském Göteborgu je z B234FT, neboli přeplňovaný B234F, ale do produkce se nikdy nedostal. Snad by to mělo být kvůli příliš slabé stěně válců u 2,3 (jako u 8v redblocků, zdvih je stále 80mm, takže se mění jen vrtání, které je rovno 88,9mm, respektive 96mm), což vzhledem k rozdílnému bloku motoru oproti 8v je dost možné.
Jelikož jsem vlastníkem jednoho Volva 965 modelového roku '93 s B204FT pod kapotou, rozepíši se lehce o něm. Motor je to velice příjemný a jeho kultivovanost za tu o něco vyšší servisní náročnost z mého pohledu stojí. Velmi je to znát při přesednutí z B230FT. Ano, kdybych ho měl v 940 a chtěl spíš blbnout, viděl bych to určitě jinak, ale 960 byl vrcholem nabídky, ne jako plebejské 940. Pod 2200 ot./min od toho motoru nelze nic moc chtít a někde na vrcholu točivého momentu se teprve sebere a začne slusně táhnout a táhne příjemně až někam k 5500 ot.min. Ale těch 190 koní by mu asi málo kdo odhadoval. Přijde mi o fous pomalejší jak Alfa 166 s 2,5 Bussem (má také 190 koní), přestože B204FT má o dost vyšší krouťák a hmotnostně je Alfa jen o trošku lehčí, ale ještě by se to dalo svést na možná jiné zpřevodování a hlavně nízký zdvih pístů v Bussu. Ale v porovnání s B230FT (165 koní, 264 Nm) je B204FT citelně rychlejší. Ale o to tu zas tolik nejde, alespoň v pohodlném křesílku devět set šedesátky. Primárně si člověk užívá tu kultivovanost. Zvuk je ale netradiční kvůli vyvažovacím hřídelům, které zní tak trošku jak tramvaj. Doopravdy, jak mají 2x vyšší otáčky jak motor, připomínají elektromotor, a jejich zvuk putuje hodně do kabiny. Ale není to nic, nač by se nedalo rychle zvyknout, není to zas tak extrémně hlasité a ve vyšších otáčkách je snadno přehluší motor. Na místě spolujezdce je i přece jen o trošku lépe slyšet turbo, které dává tlak ohromujících 0,4 baru :-)
Neodpustím si zmínku o tom “prvním” DOHC. Přišla s ním v roce 1982 motorsport divize Volva a mohla si ji koupit i veřejnost a to za nemalých 4000 liber! Reálně se ale používala především pro Rallycross do 240 a 360. Tehdy se dával na blok B23, přihodily se dva dvojitý karburátory Solex 48 ADDHE a najednou tu byl motor o výkonu 205 koní při 6900 ot./min a 226 Nm při 5400 ot./min. Hlava se občas objeví na eBay za stále nesmyslné částky.

Cenově bylo Volvo 940 s B204E o 5% levnější jak s B200FT (155 koní, 230 Nm), což mi nepřijde zas tak mimo. Ale vzhledem k tomu, že se 16v vyráběly tak krátkou dobu a nebyly úplný mainstream, jich zas tak moc není. Tvrdí se, že mnohé i umřely na zanedbanou údržbu, ale k sehnání stále nějaké jsou. Lehce s této hlavy vychází hlavy pro whiteblock. A tím končí moje vyprávění o 16v a celkově o redblockách.
Edit: Vyvažováky
Jelikož zrovna mám rozebrané vyvažovací hřídele z náhradního motoru (najeto 330tkm), trošku přiblížím jejich konstrukci. Na snímku níže je vidět rozebraný celý modul. Jsou to dva hliníkové odlitky, samotný vyvažovák s excentrickými závažími v zadní části (naproti řemenice), futra, zátka s o-kroužkem naproti řemenici a gufero na straně řemenice.

Olej přichází pod tlakem pod futra, která mají uprostřed po dvou dírách. Tudy je mazaná hřídel v zadním uložení. Následně je olej přiveden kanálem k přednímu uložení. Olej z uložení vytéká do stran, kde maže i gufero a vrací se zpátky do bloku motoru. Mezi hliníkovým odlitkem a blokem jsou o-kroužky a celý modul je stažen k bloku 4 šrouby. Samotné dvě poloviny odlitků jsou k sobě slepeny a následně sešroubovány pomocí 12 šroubů.

Kde je problém je asi jasné, přední uložení (u řemenice). Přestože síly tam nejsou zdaleka tak vysoké jako u závaží, stále nejsou zanedbatelné a uložení je na jednom místě vyleštěné, jak je vidět i ze snímku. Původní výměnná futra přitom vypadají pěkně (holt hliník, no). Díky tomu se dnes nedají nikdy zcela utišit vyvažovací hřídele jako když byly nové, alespoň bez nějakého strojního zásahu.

Další vtipná věc je, že obě poloviny se musí lepit až těsně před samotnou montáží na blok. Jak vidno, v jedné polovině jsou čepy a musím říct, že jsou pěkně těsné. Přesto pokud se k bloku přišroubují až po zaschnutí lepidla, lehce se hnou a lepidlo přestane těsnit.

Snad jsem tedy přiblížil, jak takový vyvažovací hřídele v podání Volva před 30 lety vypadají. Celkově jsou malé a lehké (třeba oproti vyvažováků v Alfě), škoda toho, že nemají futra i u řemenice…










Irwinek
15. 7. 2018, 14:54Opětovně píši 1 ********** :-D
Nimrod
15. 7. 2018, 15:57děkuju :-) dám na chvíli pokoj, ať to tu není převolvované
Ronoath
16. 7. 2018, 10:27V nejlepším to chceš utnout? Jen pokračuj, je to pěkné prázdninové čtení. Díky za ně.
Nimrod
16. 7. 2018, 14:32jen omezit, ne utnout :-) stejně mi dochází nápady... závodní 240 a pak co se stavělu u bertoneho...
ToMyx
25. 7. 2018, 15:39Pěkné shrnutí. O to víc bych se s nějakým z těch starých korábů chtěl svézt a ani by to nemuselo být za volantem.
Nimrod
25. 7. 2018, 17:30nebráním se, pokud ti moje devítka bude jako ukázka stačit. kdyžtak sz
Nimrod
5. 2. 2019, 16:23edit: byl jsem upozorněn, že byla ještě jedna verze b234f, tak jsem doplnil do přehledu, co o něm vím (nic). a také jsem rozebral vyvažováky
Trinom
1. 3. 2021, 18:43Nimrode, je nějaká šance u nás sehnat hlavu z B234F za rozumný prachy?
Nimrod
3. 3. 2021, 18:35dost mizerná... jednu měl tuším servisman kuba z jam u žďáru nad sázavou, ale netuším stav, nic. kdyžtak sz